Call Me
Domestic:+86-18169817259
Oversea:+86-13790081902
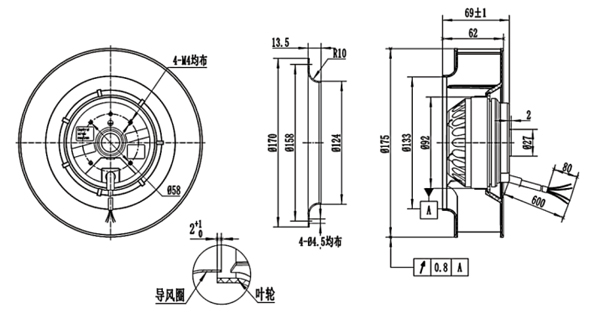
Material: Impeller made of PA66
Bearing: Ball bearing
Speed control: Shifts Taps( multiple-speed product)
Working Temp: -25~ +55°C
Insulation Class: F
Protection Class: IP44
Approvals: CCC, CE
To learn about the latest innovations and all available models, explore our complete backward curved centrifugal blower range.

Performance:

Working Point | Static Pressure(Pa) | Airflow (m3/h) | Speed (r/min) | Power (W) |
1 | 50Pa | 385 | 2670 | 60 |
2 | 100Pa | 330 | 2660 | 61 |
3 | 150Pa | 260 | 2630 | 61 |
4 | 200Pa | 143 | 2650 | 61 |
Fan Model | Motor type | Voltage | Power | Current | Speed | Airflow | Noise |
(V) | (W) | (A) | (r/min) | (m3/h) | Lp:dB(A) | ||
BC175A-A092A2-** | AM092A | AC230/50Hz | 54 | 0.26 | 2600 | 420 | 63 |
Quick Links