Call Me
Domestic:+86-18169817259
Oversea:+86-13790081902
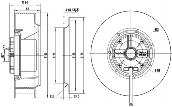
Material: Impeller made of PA66
Bearing: Ball bearing
Speed control: 2speeds, with RD signal output
Working Temp: -25~ +60°C
Insulation Class: B
Protection Class: IP54
Approvals: CCC, CE
Access the complete portfolio of products that meet the stringent criteria of professional backward curved centrifugal fan manufacturers.

Performance:

Working Point | Static Pressure(Pa) | Airflow (m3/h) | Speed (r/min) | Power (W) |
1 | 150 | 560 | 3280 | 85 |
2 | 250 | 450 | 3260 | 90 |
3 | 150 | 460 | 3890 | 56 |
4 | 250 | 330 | 3860 | 60 |
Fan Model | Motor type | Voltage | Power | Current | Speed | Airflow | Noise |
(V) | (W) | (A) | (r/min) | (m3/h) | Lp:dB(A) | ||
BC190A-E072B3-** | EM072B | 230V/50Hz | 90 | 0.65 | 3300 | 750 | 69 |
60 | 0.45 | 2900 | 640 | 64 |
Quick Links