Call Me
Domestic:+86-18169817259
Oversea:+86-13790081902
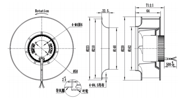
Material: Impeller made of PA66
Bearing: Ball bearing
Speed control: Control input 0-5/10V or PWM
Working Temp: -25~ +60°C
Insulation Class: B
Protection Class: IP44
Approvals: CCC, CE
As one of the reliable backward curved centrifugal fan manufacturers, we offer a wide variety of performance-driven models.

Performance:

Working Point | Static Pressure(Pa) | Airflow (m3/h) | Speed (r/min) | Power (W) |
1 | 100 | 880 | 3096 | 120 |
2 | 195 | 770 | 3075 | 134 |
3 | 285 | 660 | 3050 | 138 |
4 | 360 | 550 | 3050 | 138 |
Fan Model | Motor type | Voltage | Power | Current | Speed | Airflow | Noise |
(V) | (W) | (A) | (r/min) | (m3/h) | Lp:dB(A) | ||
BC220A-D092A6-** | DM092A | DC24 | 107 | 4.45 | 3100 | 990 | 76 |
BC220A-D092A8-** | DC48 | 108 | 2.24 | 3100 | 990 | ||
BC220A-D092A0-** | DC310 | 105 | 0.75 | 3500 | 990 |
Quick Links