Call Me
Domestic:+86-18169817259
Oversea:+86-13790081902
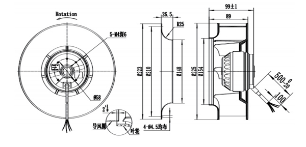
Material: Impeller made of PA66
Bearing: Ball bearing
Speed control: Shifts Taps( multiple-speed product)
Working Temp: -25~ +55°C
Insulation Class: F
Protection Class: IP44
Approvals: CCC, CE
See how our product family incorporates the core competencies of elite backward curved centrifugal fan manufacturers.

Performance:

Working Point | Static Pressure(Pa) | Airflow (m3/h) | Speed (r/min) | Power (W) |
1 | 70 | 980 | 2440 | 125 |
2 | 135 | 860 | 2470 | 122 |
3 | 190 | 735 | 2400 | 129 |
4 | 240 | 610 | 2360 | 132 |
Fan Model | Motor type | Voltage | Power | Current | Speed | Airflow | Noise |
(V) | (W) | (A) | (r/min) | (m3/h) | Lp:dB(A) | ||
BC225A-A092C2-** | AM092C | AC230/50Hz | 125 | 0.52 | 2520 | 1100 | 70 |
Quick Links