Oversea:+86-13790081902
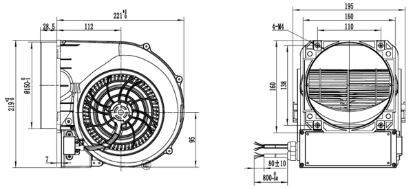
Material: Impeller and housing made of PP
Bearing: Ball bearing
Speed control: Control input 0-5/10V or PWM
Working Temp: -25~ +60°C
Insulation Class: F
Protection Class: IP54
Approvals: CCC, CE
This model is part of our extensive forward curve blower series. Click here to view all available configurations.
中文
English
한국어
français
Deutsch
Español
italiano
русский
português
العربية
Türkçe
Polska

